I have worked in the electronic security field for 30 years now. before that I worked at Ekco instruments in Pritlewell at Southend on Sea, Essex, UK. for about 4 years.
Ekco was the old radio and TV company.
Many years ago when I was installing a large building security system in London, with a total system which included multi area intruder alarms and access control with CCTV intercoms. The chap that was working with me, asked if I could design and make for him a small one board simple one zone system with entry / exit delay timers with a bell/sounder timer with auto reset.
And this is what I came up with.
( you can see that there is a pencil drawing in the bottom right corner, for adding extra zones, these would be on additional bds.)
I was looking for some thing else, and i came cross a old folder, with a lot of my circuit drawings in.
As you can see I was also trying to run a small electronics comp at the same time.
It was called Triquad, (this was the name of the mobile Disco to).
If you want to try this circuit be my guest, I may even make you the PCB if you contact me. It seams that I still have the art work.
It uses two Schmitt trigger 2 i/p quad nand gate chips MC14093. the chap I made it for made loads of them and installed the in a few homes and even a couple of small shops if I remember.
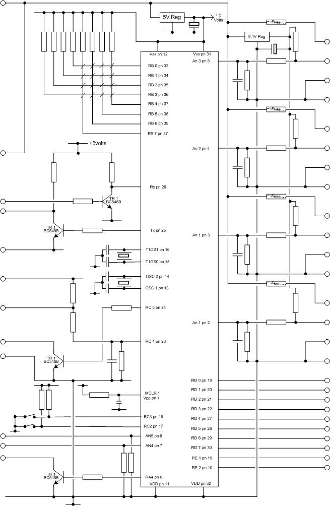
When I get time, I with finish a PIC chip 4 i/p alarm control bd with keypad and LCD display.
I've got about half way through writing the programme code to make it work, the problem was with synchronising the key pad scanning with scanning the input circuits for any change,
and stopping and button bounce on the key pad button in the programming.

The input zones work on end of line resisters, this save you having to use a four wire loop circuit, to take amount of the alarm and tamper detection on each circuit.
